注意:因为学习平台题目是随机,选择题选项也是随机,一定注意答案对应的选项,同学们在本页按“Ctrl+F”快捷搜索题目中“关键字”就可以快速定位题目,还是不懂的话可以看这个:快速答题技巧
一、2026年春江苏开放大学电工电子技术第1次作业单选题答案
1、理想电压源和理想电流源间()。
A、没有等效变换关系
B、有条件下的等效关系
C、有等效变换关系
正确答案:A
2、视在功率在数值上等于电路中有功功率和无功功率之和。
A、正确
B、错误
正确答案:B
3、提高功率因数,可使负载中的电流减小,因此电源利用率提高。
A、正确
B、错误
正确答案:B
4、三相总视在功率等于总有功功率和总无功功率之和。
A、正确
B、错误
正确答案:B
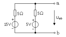
5、图所示电路中,电压Uab的数值是()。

A、10V
B、2V
C、0V
D、20V
正确答案:A
6、在电路中,负载是指把()能转换成()能量的设备。
A、电,机械
B、电,其它形式
C、电,热
D、其它形式,电
正确答案:B
7、图示的电路中,电流表的正、负接线端用“+”、“‒”号标出,现电流表指针正向偏转,示数为10 A,有关电流、电压方向也表示在图中,则()正确。

A、I1=10 A,U=12 V
B、I1=‒10 A,U=12 V
C、I1=‒10 A,U=6 V
D、I1=10 A,U=‒6 V
正确答案:A
8、电源和负载的本质区别是:电源是把()能量转换成()能的设备
A、化学,电
B、机械,内
C、电,其它形式
D、其它形式,电
正确答案:D
9、在三相电路中,三相对称负载为星形连接,三个线电流均为4A,则中线电流为()。
A、8A
B、12A
C、4A
D、0A
正确答案:D
10、电路的三种工作状态就是()、()、()。
A、通路,短路,断路
B、短路,放大,饱和
C、放大,饱和,截止
D、通路,饱和,截止
正确答案:A
11、叠加定理只适用于()。
A、线性电路
B、交流电路
C、直流电路
正确答案:A
12、网孔都是回路,而回路则不一定是网孔。
A、错误
B、正确
正确答案:B
13、在RL串联电路中,UR=16V,UL=12V,则总电压为()
A、4V
B、28V
C、20V
D、2V
正确答案:C
14、某三相电源绕组连成Y时线电压为380V,若将它改接成Δ形,线电压为()。
A、660V
B、380V
C、220V
正确答案:C
15、电阻元件上消耗()。
A、无功功率
B、有功功率
C、有功功率和无功功率
正确答案:C
16、图示的电路中,电流I为()。

A、-3A
B、5A
C、2A
D、-5A
正确答案:B
17、已知电路某元件的电压u和电流i分别为u=10cos(ωt+20°)V,i=5sin(ωt+110°)A,则该元件的性质是()。
A、不确定
B、电容
C、电感
D、电阻
正确答案:D
18、电路分析中一个电流得负值,说明它小于零。
A、错误
B、正确
正确答案:A
19、从电压、电流瞬时值关系式来看,电感元件属于动态元件。
A、错误
B、正确
正确答案:B
20、用电流表测量电流时,应把电流表()在被测电路中;用电压表测量电压时,应把电压表与被测电路()。
A、混联,串联
B、串联,并联
C、混联,并联
D、并联,串联
正确答案:B
21、在RLC串联电路中,如果调大电感,则电路()。
A、容性增强
B、呈电阻性
C、性质不变
D、感性增强
正确答案:D
22、有“220V、100W”“220V、25W”白炽灯两盏,串联后接入220V交流电源,其亮度情况是()
A、两只灯泡一样亮
B、100W灯泡最亮
C、25W灯泡最亮
正确答案:C
23、两个电路等效,即对()特性相同。
A、内部和外部
B、外部
C、内部
正确答案:B
24、用叠加定理分析电路时,当其中一个电源单独作用时,其他电源应置零,即电压源()、电流源()。
A、短路,开路
B、开路,短路
C、短路,短路
D、开路,开路
正确答案:A
25、在直流电路中,电感可以视作(),电容可以视作()。
A、短路,断路
B、断路,短路
正确答案:A
二、2026年春江苏开放大学电工电子技术第1次作业填空题答案
1、有三个6欧姆的电阻,若把它们串联,等效电阻就是()欧姆;若把它们并联,等效()电阻欧姆;若两个并联后再与第三个串联,等效电阻就是()欧姆。
未经授权,禁止转载,发布者:形考达人
,出处:https://www.xingkaowang.com/33142.html
免责声明:本站不对内容的完整性、权威性及其观点立场正确性做任何保证或承诺!付费为资源整合费用,前请自行鉴别。
免费答案:形考作业所有题目均出自课程讲义中,可自行学习寻找题目答案,本站内容可作为临时参考工具,但不应完全依赖,建议仅作为辅助核对答案的工具,而非直接使用!