机械制造基础

  • 2025年秋江苏开放大学机械制造基础第二次作业答案

    一、2025年秋江苏开放大学机械制造基础第二次作业判断题答案 1、铣削加工主要用于加工平面和沟槽。 A、正确 B、错误 正确答案:A 2、车削加工可以加工外圆柱面、端面和内孔。 A、正确 B、错误 正确答案:A 3、刀具材料不需要具备高耐热性。 A、正确 B、错误 正确答案:B 4、金属切削加工中,主运动可以有多个。 A、正确 B、错误 正确答案:B 5、刀…

    机械制造基础 2025年10月11日
  • 2025年秋江苏开放大学机械制造基础第一次作业答案

    一、2025年秋江苏开放大学机械制造基础第一次作业单选题答案 1、下列哪种材料属于有色金属() A、碳素钢 B、铜合金 C、铸铁 D、合金钢 学生答案:B 2、钢的淬火工艺目的是() A、消除内应力 B、提高硬度和耐磨性 C、细化晶粒 D、降低硬度,改善切削性能 学生答案:B 3、自由锻的基本工序不包括() A、弯曲 B、压铸 C、拔长 D、镦粗 学生答案:…

    机械制造基础 2025年9月12日
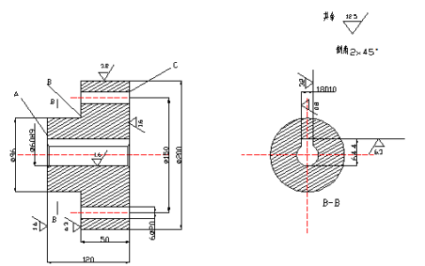
  • 2025年春江苏开放大学机械制造基础综合大作业答案

    第一次得分:90 说明:机械制造基础课程大作业 是运用所学基础理论知识与技能去分析和解决生产实际问题的一次综合训练。 任务: 下图所示联轴器零件,零件材料为45#中碳钢,毛坯为圆钢,生产批量:单件小批生产。 要求完成内容: 1.分析并确定上图零件的定位粗基准和精基准。(20分) 1. 零件特点分析:联轴器作为连接两个轴以传递运动和扭矩的重要部件,其结构往往要…

    2025年4月29日
  • 2025年春江苏开放大学机械制造基础第三次作业答案

    一、2025年春江苏开放大学机械制造基础第三次作业单选题答案 1、编制零件机械加工工艺规程、生产计划和进行成本核算最基本的单元是()。 A、工序 B、走刀 C、工位 D、工步 学生答案:A 2、以下哪种定位方式是绝对不允许的?()。 A、过定位 B、完全定位 C、不完全定位 D、欠定位 学生答案:D 3、在多品种小批量生产中,一般倾向于使用工序分散的原则。(…

    机械制造基础 2025年4月29日
  • 2025年春江苏开放大学机械制造基础第二次作业答案

    一、2025年春江苏开放大学机械制造基础第二次作业判断题答案 1、为了实现互换性,零件的公差规定得越小越好。 A、正确 B、错误 学生答案:B 2、高速钢车刀的韧性虽然比硬质合金高,但允许的切削速度低于硬质合金。 A、正确 B、错误 学生答案:A 3、车工可以戴手套操作。 A、正确 B、错误 学生答案:B 4、切削用量三要素中,对刀具耐用度影响最小的是背吃刀…

    机械制造基础 2025年3月29日
  • 2025年春江苏开放大学机械制造基础第一次作业答案

    一、2025年春江苏开放大学机械制造基础第一次作业单选题答案 1、机床床身的材料一般为()。 A、灰铸铁 B、蠕墨铸铁 C、可锻铸铁 D、球墨铸铁 学生答案:A 2、渗碳零件一般应选择低碳成分的钢。() A、不确定 B、错误 C、无 D、正确 学生答案:D 3、钢中的杂质磷会使钢产生冷脆性,硫导致钢产生热脆性,所以钢中的硫、磷含量必须严格控制。() A、不确…

    机械制造基础 2025年3月5日
  • 2024年秋江苏开放大学机械制造基础综合大作业答案

    第一次得分:90 说明:机械制造基础课程大作业 是运用所学基础理论知识与技能去分析和解决生产实际问题的一次综合训练。 任务: 下图所示联轴器零件,零件材料为45#中碳钢,毛坯为圆钢,生产批量:单件小批生产。 要求完成内容: 1.分析并确定上图零件的定位粗基准和精基准。(20分) 1. 零件特点分析:联轴器作为连接两个轴以传递运动和扭矩的重要部件,其结构往往要…

    2024年11月12日
  • 2024年秋江苏开放大学机械制造基础第三次作业答案

    一、2024年秋江苏开放大学机械制造基础第三次作业单选题答案 1、在多品种小批量生产中,一般倾向于使用工序分散的原则。() A、无 B、不确定 C、正确 D、错误 学生答案:D 2、平面磨削采用电磁吸盘安装工件,限制了工件的()个自由度。 A、4 B、5 C、3 D、6 学生答案:C 3、所有零件的加工都需划分四个加工阶段。() A、正确 B、无 C、错误 …

    机械制造基础 2024年11月12日
  • 2024年秋江苏开放大学机械制造基础第二次作业答案

    一、2024年秋江苏开放大学机械制造基础第二次作业判断题答案 1、公差一般情况下为正,在个别情况下也可以为负或零。 A、正确 B、错误 学生答案:B 2、为了实现互换性,零件的公差规定得越小越好。 A、正确 B、错误 学生答案:B 3、切削用量三要素中,对刀具耐用度影响最小的是背吃刀量。 A、正确 B、错误 学生答案:A 4、高速钢车刀的韧性虽然比硬质合金高…

    机械制造基础 2024年10月20日
  • 2024年秋江苏开放大学机械制造基础第一次作业答案

    一、2024年秋江苏开放大学机械制造基础第一次作业单选题答案 1、布氏硬度试验法适合于成品的硬度测定。 A、正确 B、错误 学生答案:B 2、渗碳零件一般应选择低碳成分的钢。 A、正确 B、错误 学生答案:A 3、钢中的杂质磷会使钢产生冷脆性,硫导致钢产生热脆性,所以钢中的硫、磷含量必须严格控制。 A、正确 B、错误 学生答案:A 1、汽车制造厂生产连杆锻件…

    机械制造基础 2024年9月22日
联系我们

邮件:xingkaowang@163.com

QQ:994370779

工作时间:周一至周五,9:30-17:30,节假日休息

人工解题

人工解题

会员学期新增题免费解答

年费享实践作业、小论文定制

可单独实践报告、小论文定制

解题QQ:994370779

售后反馈
微信公众号
微信公众号
分享本页
返回顶部