注意:因为学习平台题目是随机,选择题选项也是随机,一定注意答案对应的选项,同学们在本页按“Ctrl+F”快捷搜索题目中“关键字”就可以快速定位题目,还是不懂的话可以看这个:快速答题技巧
综合大作业(占课程总成绩的35%)90分去查看
说明:机械制造基础课程大作业是运用所学基础理论知识与技能去分析和解决生产实际问题的一次综合训练。请同学们下载附件,作业完成后以“姓名+综合大作业”重新命名文件,并以附件形式上传。
说明:机械制造基础课程大作业 是运用所学基础理论知识与技能去分析和解决生产实际问题的一次综合训练。
任务:
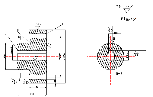
下图所示联轴器零件,零件材料为45#中碳钢,毛坯为圆钢,生产批量:单件小批生产。

要求完成内容:
1.分析并确定上图零件的定位粗基准和精基准。(20分)
未经授权,禁止转载,发布者:形考达人
,出处:https://www.xingkaowang.com/30678.html
免责声明:本站不对内容的完整性、权威性及其观点立场正确性做任何保证或承诺!付费为资源整合费用,前请自行鉴别。
免费答案:形考作业所有题目均出自课程讲义中,可自行学习寻找题目答案,本站内容可作为临时参考工具,但不应完全依赖,建议仅作为辅助核对答案的工具,而非直接使用!