注意:本题为历年真题精选易错题,考生在学习历年考试真题是备考过程中非常重要的一环。通过认真练习和分析错题,可以帮助你更好地掌握知识点和答题技巧,为考试做好充分准备。
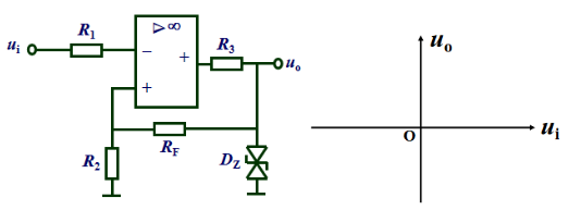
如图所示运放电路中,已知运放输出电压饱和值为±10V,DZ=6V,R1=10KΩ,R2=10KΩ,RF=20KΩ。分析该电路功能,并画出该电路传输特性。(直接回答,不允许使用附件提交,文字部分不允许截图(可以手写拍照上传))

答案:
该电路为滞回比较电路。
上门限电压:U`=(R 2*U Z)/(R 2+R F)=(10×6)/(10+20)=2V
未经授权,禁止转载,发布者:形考达人
,出处:https://www.xingkaowang.com/31406.html
免责声明:本站不对内容的完整性、权威性及其观点立场正确性做任何保证或承诺!付费为资源整合费用,前请自行鉴别。
免费答案:形考作业所有题目均出自课程讲义中,可自行学习寻找题目答案,本站内容可作为临时参考工具,但不应完全依赖,建议仅作为辅助核对答案的工具,而非直接使用!