注意:本题为历年真题精选易错题,考生在学习历年考试真题是备考过程中非常重要的一环。通过认真练习和分析错题,可以帮助你更好地掌握知识点和答题技巧,为考试做好充分准备。
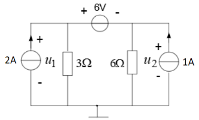
使用叠加定理计算图示电路的电压u1和u2。(直接回答,不允许使用附件提交,文字部分不允许截图(可以手写拍照上传))

答案:
u1单独作用时:6V电压源短路,1A电流源开路,u1`=u2`=2*(3//6)=4V;
u2单独作用时:6V电压源短路,2A电流源开路,u1“=u2“=1*(3//6)=2V;
6V电压源单独作用时:1A电流源开路,2A电流源开路,
u1“`=(6/(3+6))*3=2V;u2“`=-(6/(3+6))*6=-4V
共同作用时u1=u1`+u1“+u1“`=4+2+2=8V
u2=u2`+u2“+u2“`=4+2-4=2V
未经授权,禁止转载,发布者:形考达人
,出处:https://www.xingkaowang.com/31411.html
免责声明:本站不对内容的完整性、权威性及其观点立场正确性做任何保证或承诺!付费为资源整合费用,前请自行鉴别。
免费答案:形考作业所有题目均出自课程讲义中,可自行学习寻找题目答案,本站内容可作为临时参考工具,但不应完全依赖,建议仅作为辅助核对答案的工具,而非直接使用!