注意:本题为历年真题精选易错题,考生在学习历年考试真题是备考过程中非常重要的一环。通过认真练习和分析错题,可以帮助你更好地掌握知识点和答题技巧,为考试做好充分准备。
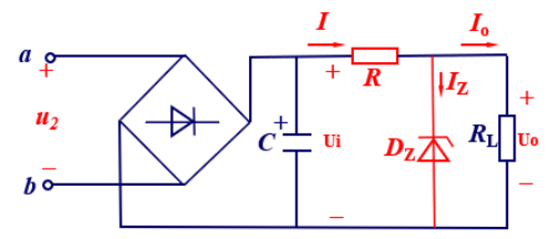
如图所示的稳压管稳压电路;u2不变,RL增大时,分析电路稳压过程。

答案:
未经授权,禁止转载,发布者:形考达人
,出处:https://www.xingkaowang.com/34807.html
免责声明:本站不对内容的完整性、权威性及其观点立场正确性做任何保证或承诺!付费为资源整合费用,前请自行鉴别。
免费答案:形考作业所有题目均出自课程讲义中,可自行学习寻找题目答案,本站内容可作为临时参考工具,但不应完全依赖,建议仅作为辅助核对答案的工具,而非直接使用!