注意:因为学习平台题目是随机,选择题选项也是随机,一定注意答案对应的选项,同学们在本页按“Ctrl+F”快捷搜索题目中“关键字”就可以快速定位题目,还是不懂的话可以看这个:快速答题技巧
第4次大作业——占课程成绩的30% 85分 去查看
通过完成本次作业,了解和掌握机械零部件设计计算中的电动机类型选择和型号确定方法、传动比的计算和分配方法、运动参数和动力参数的计算方法;熟悉和掌握电动机额定功率、同步转速和满载转速、工作机所需功率(传动装置的输出功率)、轴的功率和齿轮功率(输入功率)轴和齿轮转矩(输入转矩)等概念;掌握齿轮基本参数和基本尺寸概念和计算;熟悉和掌握相关机械设计手册(或机械设计基础(机械零件)课程设计手册)使用方法;熟悉和了解机械设计中相关的国家标准和规范等。
题型:简答题主观题分值30分难度:简单得分:30
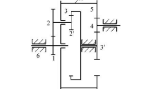
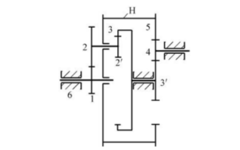
第4次大作业题目:如图所示为一带式输送机的运动简图,已知输送带的有效拉力Fw=3000N,输送带速度V=1.4m/s,滚筒直径D=400mm,滚筒效率=0.97,连续工作,载荷平稳,正反转动,输送带速度容许误差为±5%。按照所给运动简图和给定参数和工作条件,完成下面的计算:

1.选择合适的电动机
要求:确定选用电动机的型号。
学生答案:
未经授权,禁止转载,发布者:形考达人
,出处:https://www.xingkaowang.com/30767.html
免责声明:本站不对内容的完整性、权威性及其观点立场正确性做任何保证或承诺!付费为资源整合费用,前请自行鉴别。
免费答案:形考作业所有题目均出自课程讲义中,可自行学习寻找题目答案,本站内容可作为临时参考工具,但不应完全依赖,建议仅作为辅助核对答案的工具,而非直接使用!