注意:因为学习平台题目是随机,选择题选项也是随机,一定注意答案对应的选项,同学们在本页按“Ctrl+F”快捷搜索题目中“关键字”就可以快速定位题目,还是不懂的话可以看这个:快速答题技巧
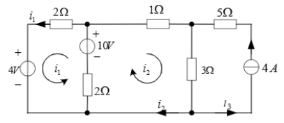
用网孔分析法计算图示电路中的网孔电流i1和i2。(直接回答,不允许使用附件提交,文字部分不允许截图(可以手写拍照上传))

正确答案:
根据 KVL 对左网孔可得:4+2*i1-10+2*(i1+i2)=0
根据 KVL 对中间网孔可得:10+1*i2+3*(i2+i3)+2*(i1+i2)=0
根据右网孔可得:i3=4A
化解:4*i1+2*i2=6
2*i1+6*i2+3*i3=10
i3=4A
计算可得 i1=2A,i2=-1A
未经授权,禁止转载,发布者:形考达人
,出处:https://www.xingkaowang.com/32379.html
免责声明:本站不对内容的完整性、权威性及其观点立场正确性做任何保证或承诺!付费为资源整合费用,前请自行鉴别。
免费答案:形考作业所有题目均出自课程讲义中,可自行学习寻找题目答案,本站内容可作为临时参考工具,但不应完全依赖,建议仅作为辅助核对答案的工具,而非直接使用!