注意:因为学习平台题目是随机,选择题选项也是随机,一定注意答案对应的选项,同学们在本页按“Ctrl+F”快捷搜索题目中“关键字”就可以快速定位题目,还是不懂的话可以看这个:快速答题技巧
一、2024年秋江苏开放大学电工电子技术及应用△作业1单选题答案
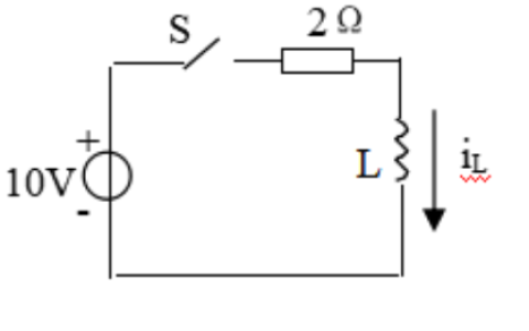
1、如下图,S闭合时电路处于稳定状态,当S断开瞬间i=()A。

A、0
B、2
C、5
D、10
学生答案:C
2、如下图所示,S闭合前电路处于稳态,当S闭合瞬间Uc为()V。

A、0
B、10
C、15
D、30
学生答案:D
3、电源的电动势为1.5V,内阻为0.22Ω,外电路的电阻为1.28Ω,电路的电流和外电路电阻两端的电压分别为()
A、I=1.5A,U=0.18V
B、I=1A,U=1.28V
C、I=1.5A,U=1V
D、I=1A,U=0.22V
学生答案:B
4、二极管的正反向电阻都很小时,说明二极管()
A、正常
B、击穿短路
C、内部断路
D、不确定
学生答案:B
5、基尔霍夫电压定律(KVL)说明在直流电路中,在任一时刻,沿任一回路巡行一周,各元件的()代数和为零。
A、电压
B、电流
C、功率
D、电阻
学生答案:A
6、基尔霍夫电流定律(KCL)说明在直流电路中,在任一时刻,流出(或流出)任一节点或封闭面的各支路电流的代数和为()。
A、零
B、正值
C、负值
D、不确定
学生答案:A
7、在应用叠加定理分析时,各个独立电源单独作用时,而其他独立电源为()
A、正值
B、负值
C、零
D、不确定
学生答案:C
8、某元件功率为负,说明该元件产生功率,则该元件是()
A、电源
B、负载
C、电容
D、电感
学生答案:A
9、如下图所示电路中端电压U为()

A、2V
B、4V
C、-2V
D、-4V
学生答案:C
10、在下图所示电路中,电源电压U=6 V。若使电阻R上的电压U1=4 V,则电阻R为()

A、2
B、4
C、6
D、8
学生答案:B
11、电容是储能元件,电容两端的电压()
A、能跃变
B、不能跃变
C、不确定
D、不能保持
学生答案:B
12、电感是储能元件,流过电感的电流()
A、能跃变
B、不能跃变
C、不确定
D、不能保持
未经授权,禁止转载,发布者:形考达人
,出处:https://www.xingkaowang.com/21344.html
免责声明:本站不对内容的完整性、权威性及其观点立场正确性做任何保证或承诺!付费为资源整合费用,前请自行鉴别。
免费答案:形考作业所有题目均出自课程讲义中,可自行学习寻找题目答案,本站内容可作为临时参考工具,但不应完全依赖,建议仅作为辅助核对答案的工具,而非直接使用!