注意:因为学习平台题目是随机,选择题选项也是随机,一定注意答案对应的选项,同学们在本页按“Ctrl+F”快捷搜索题目中“关键字”就可以快速定位题目,还是不懂的话可以看这个:快速答题技巧
一、2025年秋江苏开放大学工程制图与CAD△作业3单选题答案
1、在下图中,正确的一组局部剖视图为()。

正确答案:B
2、选择正确的左视图。


正确答案:B
3、正确的内螺纹画法是()图。

正确答案:D
4、根据主、俯视图,判断主视图的剖视哪个是正确的。


正确答案:B
5、选择正确的一组基本视图

正确答案:C
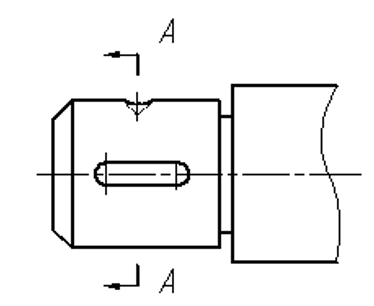
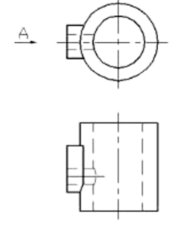
6、根据主俯视图,正确的局部视图是()。


正确答案:B
7、根据俯视图圆筒和圆柱的位置及且切割情况,选择正确的主视图。


正确答案:A
8、下列移出断面图中,正确的画法是()。


正确答案:D
二、2025年秋江苏开放大学工程制图与CAD△作业3填空题答案
1、基本视图中“宽相等”是指()视图、()视图、()视图和()视图之间的关系。
正确答案:俯;左;仰;右
2、基本视图中,长相等的视图是()视图、()视图、()视图和()视图
正确答案:主;俯;仰;后
三、2025年秋江苏开放大学工程制图与CAD△作业3简答题答案
题型:简答题主观题分值5分难度:简单得分:5
1、合体的组合形式有哪些?基本体组合后它们的表面存在哪些连接关系?
正确答案:
组合体的组合形式有:叠加式、切割式和综合式。基本体组合后它们的表面存在“平齐与不平齐”或“共面与不共面”;“相交与相切”这样两对情况。
题型:简答题主观题分值20分难度:中等得分:10
2、实训三:认识叠加类组合体视图

1、实训目的
掌握叠加类组合体形体分析的方法;掌握组合体尺寸标注的方法。
2、实训工具
尺规绘图工具或者CAD绘图软件(最好用CAD绘图软件)。
3、实训结果
根据给定的三维立体绘制三视图并尺寸标注。绘制结果请截图上传。
(请绘制简易框格写上姓名,如下图。将实训最终结果图贴至答案区,请不要上传附件,上传附件不得分)
正确答案:(自行手绘,得一半分)

题型:简答题主观题分值5分难度:简单得分:5
3、表达机件的内部结构采用哪种表达方法?它们有几种?
正确答案:
表达机件的内部结构采用剖视图表达。它们有全剖、半剖和局部剖三种。
题型:简答题主观题分值20分难度:中等得分:8
4、实训三:认识表达形体视图

1、实训目的
掌握叉架类零件视图、剖视图、断面图、简化画法等各种表达方法的应用。
2、实训工具
尺规绘图工具或者CAD绘图软件(最好用CAD绘图软件)。
3、实训结果
根据给定的叉架三维立体绘制其表达视图,无需尺寸标注。
请绘制简易框格,写上姓名后再截图,将实训最终结果图贴至答案区,请不要上传附件,上传附件不得分。
正确答案:(自行手绘,得一半分)

未经授权,禁止转载,发布者:形考达人
,出处:https://www.xingkaowang.com/30134.html
免责声明:本站不对内容的完整性、权威性及其观点立场正确性做任何保证或承诺!付费为资源整合费用,前请自行鉴别。
免费答案:形考作业所有题目均出自课程讲义中,可自行学习寻找题目答案,本站内容可作为临时参考工具,但不应完全依赖,建议仅作为辅助核对答案的工具,而非直接使用!