注意:因为学习平台题目是随机,选择题选项也是随机,一定注意答案对应的选项,同学们在本页按“Ctrl+F”快捷搜索题目中“关键字”就可以快速定位题目,还是不懂的话可以看这个:快速答题技巧
一、2025年秋江苏开放大学工程制图与CAD△综合大作业单选题答案
1、观察各形体的立体图,找出与其相对应的视图


正确答案:B
2、已知主俯视图,请选择正确的左视图


正确答案:B
3、在三投影面体系中,H面展开的方向是()。
A、H面绕Z轴向右转90度
B、H面绕X轴向下转90度
C、H面保持不动
正确答案:B
4、要快速显示整个图限范围内的所有图形,可使用()命令。
A、“视图”—“缩放”—“范围”
B、“视图”—“缩放”—“全部”
C、“视图”—“缩放”—“窗口”
D、“视图”—“缩放”—“动态”
正确答案:B
5、在AutoCAD中,下列坐标中是使用相对极坐标的是()
A、32,18
B、32<18
C、@32,18
D、@32<18
正确答案:D
6、已知主俯视图,请选择正确的左视图


正确答案:D
7、CAD中,默认情况下用户坐标系统与世界坐标系统的关系,下面()说法正确。
A、同一个坐标系
B、不相重合
C、有时重合有时不重合
D、相重合
正确答案:D
8、↗符号表示
A、全跳动
B、平行度
C、垂直度
D、圆跳动
正确答案:D
9、观察各形体的立体图,找出与其相对应的视图


正确答案:B
10、在进行文字标注时,若要插入“度数”称号,则应输入:
A、d%
B、%d
C、d%%
D、%%d
正确答案:D
二、2025年秋江苏开放大学工程制图与CAD△综合大作业填空题答案
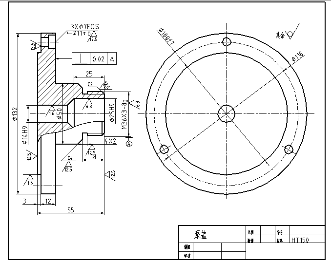
1、看懂零件图,想象该零件的结构形状,完成填空题。

1、零件的主视图采用的表达方案是();零件的材料选用的是()。
2、分析零件轴向和径向两个方向的主要基准。径向基准为();轴向基准为()。
3、3×φ7EQS的含义:3();φ7();EQS()。
4、表面光洁度要求最高的表面是:()。
5、C2中C表示();2表示()。
6、的含义:()该圆柱沉孔的定位尺寸是()。
7、φ100f7的含义:φ100();f();7()。
8、M36×3-6g的含义:M表示();36表示();3表示();6g表示()。
9、的含义:()。
未经授权,禁止转载,发布者:形考达人
,出处:https://www.xingkaowang.com/31228.html
免责声明:本站不对内容的完整性、权威性及其观点立场正确性做任何保证或承诺!付费为资源整合费用,前请自行鉴别。
免费答案:形考作业所有题目均出自课程讲义中,可自行学习寻找题目答案,本站内容可作为临时参考工具,但不应完全依赖,建议仅作为辅助核对答案的工具,而非直接使用!