注意:因为学习平台题目是随机,选择题选项也是随机,一定注意答案对应的选项,同学们在本页按“Ctrl+F”快捷搜索题目中“关键字”就可以快速定位题目,还是不懂的话可以看这个:快速答题技巧
一、2025年秋江苏开放大学工程制图与CAD△ 作业4单选题答案
1、 装配图中的明细栏内填零件序号的顺序是:
A、阿拉伯数字从1开始,从下向上填
B、阿拉伯数字从1开始,从上向下填
C、阿拉伯数字从1开始,从左向右填
D、阿拉伯数字从1开始,从右向左填
正确答案:A
2、在装配图中,每种零件或部件只编 几个序号?
A、四
B、二
C、一
D、三
正确答案:C
3、两个零件在同一方向上只能有 几个接触面和配合面?
A、一
B、二
C、三
D、四
正确答案:A
4、 装配图中的明细栏栏内分格线为何种线宽?
A、中粗线宽
B、粗线宽
C、细线宽
正确答案:C
5、 装配图中的明细栏左边外框为何种线宽?
A、粗线宽
B、中粗线宽
C、细线宽
正确答案:A
6、在装配图中,对于紧固件以及轴、键、销等,若按何种 剖切,且剖切平面通过其对称平面或轴线时,这些零件均按不剖绘制?
A、纵向
B、横向
C、侧向
D、垂直于轴线方向
正确答案:A
7、表示机器或部件的图样称为
A、轴侧图
B、装配图
C、三视图
D、零件图
正确答案:B
8、 装配图中的明细栏画在装配图右下角标题栏的哪个位置?
A、下方
B、左方
C、右方
D、上方
正确答案:D
9、为了防止机器或部件内部的液体或气体向外渗漏,同时也避免外部的灰尘、杂质等侵入,必须采用何种装置?
A、压紧
B、紧固
C、防松
D、密封
正确答案:D
10、装配图中如标题栏上方明细栏位置不够时,可将明细栏顺序画在标题栏的哪里?
A、右方
B、下方
C、左方
D、上方
正确答案:C
二、2025年秋江苏开放大学工程制图与CAD△ 作业4多选题答案
1、装配图中的尺寸种类有 哪些?
A、性能规格尺寸
B、安装尺寸
C、其它重要尺寸
D、外形尺寸
E、配合尺寸
正确答案:A;B;C;D;E
2、零件的技术要求中,有关公差有:尺寸公差、形状公差和位置公差,请问形状公差项目有哪些?
A、平面度
B、直线度
C、线轮廓度
D、面轮廓度
E、圆度
F、圆柱度
G、 倾斜度
正确答案:A;B;C;D;E;F
3、一张完整的零件图应包含哪些内容?
A、一组图形
B、技术要求
C、标题栏
D、标题栏和明细栏
E、必要的尺寸
F、齐全合理的尺寸
正确答案:A;B;C;F
4、装配图中,零件与零件配合有哪几种形式?
A、间隙配合
B、过盈配合
C、旋转配合
D、过渡配合
正确答案:A;B;D
三、2025年秋江苏开放大学工程制图与CAD△ 作业4填空题答案
题型:填空题主观题答案允许乱序分值22分难度:中等得分:18
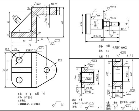
1、根据提供的装配图,想象空间结构,了解其工作原理,识图填空
1、该装配体的名称为() ,由()个零件组成,其中标准件有()个。
2、零件1的名称是()零件4的材料是()
3、零件4上有()个孔,定位尺寸是()
4、尺寸中Ф11H9/h9为()尺寸,表示零件()号和零件()号相配合,轴的直径尺寸是()
5、尺寸Ф30H7/js6为() 尺寸,表示零件()号和零件()号相配合,其公称尺寸为() ,孔的直径尺寸是()
6、俯视图中的A是()号零件,其材料为() ;B是()号零件,C是()号零件。
7、该装配体的总体宽度为(),总体高度为()。

学生答案:滑轮装置;6;2;心轴;HT200;2;55;配合;3;4;Ф11h9;配合;1;2;30;Ф30H7;1;45;2;4;70;96
老师点评:心轴1与托架4的配合Ф11H9/h9,滑轮2与衬套3的配合Ф30H7/js6
四、2025年秋江苏开放大学工程制图与CAD△ 作业4简答题答案
题型:简答题主观题分值40分难度:中等得分:12
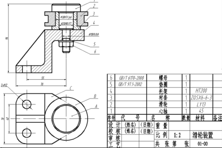
1()根据提供的装配示意图、轴测示意图、零件图及工作原理绘制低速滑轮装配图(完成装配图后需在标题栏”制图”签名处写上自己的姓名)
低速滑轮装置是是一种传动装置,当皮带成角度传动时,起引导皮带,调整平衡、保护装置的作用。它由装有衬套5的滑轮6、心轴2和托架1等零件组成。滑轮6和衬套5空套在心轴2上,心轴2用螺母3、垫圈4与托架连接。整个装置通过托架上的两个安装孔用孔用螺栓与机座连接。安装好之后要保证村套、滑轮在心轴上转动灵活。


垫圈 GB/T97.1—2002 8 140HV;螺母 GB/T 6170 M8 (根据给的尺寸,简化绘出即可)
垫圈和螺母的材料为Q235A、s=13;e=14.38;m=6.8
学生答案:无 (不会CAD可手绘得部分分)
未经授权,禁止转载,发布者:形考达人
,出处:https://www.xingkaowang.com/30917.html
免责声明:本站不对内容的完整性、权威性及其观点立场正确性做任何保证或承诺!付费为资源整合费用,前请自行鉴别。
免费答案:形考作业所有题目均出自课程讲义中,可自行学习寻找题目答案,本站内容可作为临时参考工具,但不应完全依赖,建议仅作为辅助核对答案的工具,而非直接使用!